Touch Tone Pad . Recently, her phone started acting weird in that when connected in a phone call, pressing the touch tone keypad is not working. The online tone generator can be used to create dual tone multi frequency (dtmf) signals commonly heard on telephone dial pads. Play on touch | replay number. Free phone dial tones online sound effect. Today we all know the 12 button dial with 123 at the top and * and # in the bottom left and right.
from www.seekic.com
Recently, her phone started acting weird in that when connected in a phone call, pressing the touch tone keypad is not working. Play on touch | replay number. Free phone dial tones online sound effect. The online tone generator can be used to create dual tone multi frequency (dtmf) signals commonly heard on telephone dial pads. Today we all know the 12 button dial with 123 at the top and * and # in the bottom left and right.
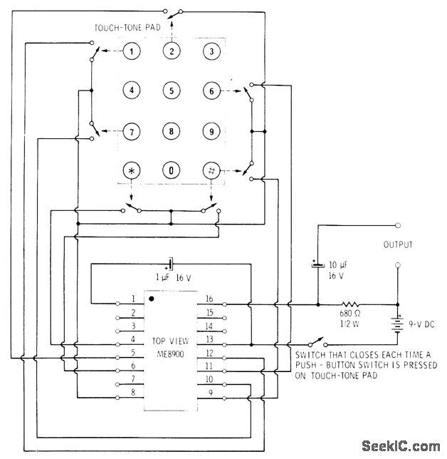
SINGLE_IC_TOUCH_TONE_ENCODER Communication_Circuit Circuit Diagram
Touch Tone Pad Today we all know the 12 button dial with 123 at the top and * and # in the bottom left and right. Play on touch | replay number. Today we all know the 12 button dial with 123 at the top and * and # in the bottom left and right. Recently, her phone started acting weird in that when connected in a phone call, pressing the touch tone keypad is not working. The online tone generator can be used to create dual tone multi frequency (dtmf) signals commonly heard on telephone dial pads. Free phone dial tones online sound effect.
From pixels.com
Telephone Touch Tone Keypad Photograph by Jim Hughes Touch Tone Pad Recently, her phone started acting weird in that when connected in a phone call, pressing the touch tone keypad is not working. Play on touch | replay number. Today we all know the 12 button dial with 123 at the top and * and # in the bottom left and right. The online tone generator can be used to create. Touch Tone Pad.
From www.reddit.com
In this particular example name of the language is given, along with a Touch Tone Pad Today we all know the 12 button dial with 123 at the top and * and # in the bottom left and right. The online tone generator can be used to create dual tone multi frequency (dtmf) signals commonly heard on telephone dial pads. Play on touch | replay number. Free phone dial tones online sound effect. Recently, her phone. Touch Tone Pad.
From www.alamy.com
Motel Room Touch Tone Phone Keypad Handset Stock Touch Tone Pad The online tone generator can be used to create dual tone multi frequency (dtmf) signals commonly heard on telephone dial pads. Today we all know the 12 button dial with 123 at the top and * and # in the bottom left and right. Recently, her phone started acting weird in that when connected in a phone call, pressing the. Touch Tone Pad.
From www.iconfinder.com
Telephone, touch, tone, pad, key icon Download on Iconfinder Touch Tone Pad Play on touch | replay number. Recently, her phone started acting weird in that when connected in a phone call, pressing the touch tone keypad is not working. The online tone generator can be used to create dual tone multi frequency (dtmf) signals commonly heard on telephone dial pads. Today we all know the 12 button dial with 123 at. Touch Tone Pad.
From www.seekic.com
SINGLE_IC_TOUCH_TONE_ENCODER Communication_Circuit Circuit Diagram Touch Tone Pad Recently, her phone started acting weird in that when connected in a phone call, pressing the touch tone keypad is not working. The online tone generator can be used to create dual tone multi frequency (dtmf) signals commonly heard on telephone dial pads. Today we all know the 12 button dial with 123 at the top and * and #. Touch Tone Pad.
From www.johndcook.com
Touch tone phone pitches DTMF Touch Tone Pad Recently, her phone started acting weird in that when connected in a phone call, pressing the touch tone keypad is not working. Today we all know the 12 button dial with 123 at the top and * and # in the bottom left and right. Free phone dial tones online sound effect. Play on touch | replay number. The online. Touch Tone Pad.
From www.dreamstime.com
Telephone Touch Tone Keypad Stock Photo Image of exchange, tone 12829624 Touch Tone Pad Today we all know the 12 button dial with 123 at the top and * and # in the bottom left and right. The online tone generator can be used to create dual tone multi frequency (dtmf) signals commonly heard on telephone dial pads. Recently, her phone started acting weird in that when connected in a phone call, pressing the. Touch Tone Pad.
From www.wisegeek.com
What is Touch Tone? (with pictures) Touch Tone Pad Today we all know the 12 button dial with 123 at the top and * and # in the bottom left and right. Recently, her phone started acting weird in that when connected in a phone call, pressing the touch tone keypad is not working. Free phone dial tones online sound effect. Play on touch | replay number. The online. Touch Tone Pad.
From www.surplussales.com
Telephone Parts & Accessories Touch Tone Pad Today we all know the 12 button dial with 123 at the top and * and # in the bottom left and right. The online tone generator can be used to create dual tone multi frequency (dtmf) signals commonly heard on telephone dial pads. Play on touch | replay number. Free phone dial tones online sound effect. Recently, her phone. Touch Tone Pad.
From www.pinterest.com
Touchtone. Introduced by ATT in 1963, the TouchTone system using the Touch Tone Pad Play on touch | replay number. Recently, her phone started acting weird in that when connected in a phone call, pressing the touch tone keypad is not working. Today we all know the 12 button dial with 123 at the top and * and # in the bottom left and right. Free phone dial tones online sound effect. The online. Touch Tone Pad.
From etsy.com
Wall Mount touch tone black Phone real bell ringer by oldstuffdave Touch Tone Pad The online tone generator can be used to create dual tone multi frequency (dtmf) signals commonly heard on telephone dial pads. Recently, her phone started acting weird in that when connected in a phone call, pressing the touch tone keypad is not working. Today we all know the 12 button dial with 123 at the top and * and #. Touch Tone Pad.
From web.cs.ucdavis.edu
Patrice Koehl's Main Page Touch Tone Pad The online tone generator can be used to create dual tone multi frequency (dtmf) signals commonly heard on telephone dial pads. Recently, her phone started acting weird in that when connected in a phone call, pressing the touch tone keypad is not working. Today we all know the 12 button dial with 123 at the top and * and #. Touch Tone Pad.
From www.qsl.net
touchtonepads Touch Tone Pad Free phone dial tones online sound effect. The online tone generator can be used to create dual tone multi frequency (dtmf) signals commonly heard on telephone dial pads. Recently, her phone started acting weird in that when connected in a phone call, pressing the touch tone keypad is not working. Today we all know the 12 button dial with 123. Touch Tone Pad.
From medium.com
How I moved from a square to a circle The Startup Medium Touch Tone Pad Today we all know the 12 button dial with 123 at the top and * and # in the bottom left and right. The online tone generator can be used to create dual tone multi frequency (dtmf) signals commonly heard on telephone dial pads. Free phone dial tones online sound effect. Play on touch | replay number. Recently, her phone. Touch Tone Pad.
From hangarnineteen.com
1960's Touch Tone Telephone White Ivory Hangar 19 Prop Rentals Touch Tone Pad Today we all know the 12 button dial with 123 at the top and * and # in the bottom left and right. Free phone dial tones online sound effect. Recently, her phone started acting weird in that when connected in a phone call, pressing the touch tone keypad is not working. Play on touch | replay number. The online. Touch Tone Pad.
From www.telephonecollectors.org
Touch Tone type Keypad Touch Tone Pad Free phone dial tones online sound effect. The online tone generator can be used to create dual tone multi frequency (dtmf) signals commonly heard on telephone dial pads. Today we all know the 12 button dial with 123 at the top and * and # in the bottom left and right. Recently, her phone started acting weird in that when. Touch Tone Pad.
From www.dreamstime.com
Touch Tone Keypad stock illustration. Illustration of sketch 44241603 Touch Tone Pad Recently, her phone started acting weird in that when connected in a phone call, pressing the touch tone keypad is not working. The online tone generator can be used to create dual tone multi frequency (dtmf) signals commonly heard on telephone dial pads. Free phone dial tones online sound effect. Play on touch | replay number. Today we all know. Touch Tone Pad.
From learn.adafruit.com
Overview Touch Tone Phone DialaSong Adafruit Learning System Touch Tone Pad Recently, her phone started acting weird in that when connected in a phone call, pressing the touch tone keypad is not working. Free phone dial tones online sound effect. Play on touch | replay number. Today we all know the 12 button dial with 123 at the top and * and # in the bottom left and right. The online. Touch Tone Pad.